集成电路板在污水/雨水水泵控制中的应用
威乐(中国)水泵系统有限公司 (北京)韩宁 李平洲 张建文
摘要
集合传统继电器和PLC两种控制方式的优点,优化了污水/雨水水泵的控制功能,开发一种使用单片机控制的集成电路板控制器,对水泵的保护更加完善,并集成了远程通讯监控功能。
关键词:单片机集成线路板 水泵控制系统
1.前言
传统的控制柜,采用继电器按钮等控制电路,其连线多且复杂、体积大、能耗大,并且由于硬件限制,无法实现灵活、智能的控制,不能进行远程通讯监控,已不能满足目前市场及未来工业4.0的需求。PLC功能强大,编程简单,开发周期短,通用性好,可以和上位机及触摸屏等进行联机通讯,但是成本较高。
单片机和电路板技术经过多年的发展,在控制领域得到广泛的应用。本公司针对水泵在污水和雨水给排水等使用场合,开发了使用集成电路板开发的控制器,具有集成度高、可靠性高、控制灵活、功能智能、价格经济等特点,在一些项目现场广泛使用,取得了良好的效果。
2.传统控制柜的主要结构及工作原理
在排水系统中,传统控制柜一般通过液位开关信号实现水泵的启停,低水位启动水泵,高水位停止水泵,其功能缺相对单一,只能实现简单的逻辑控制,不能显示水池具体液位。其控制回路主要由选择开关,按钮,指示灯,电流表,电压表,中间继电器,时间继电器等组成(电气原理图见下)其电气结构和接线复杂,检修人员调试设备与查找错误接线都相对困难。由于工人接线工时长,随着人力成本上升,产品的成本也在持续上涨。
3. 采用集成电路的工作原理和主要结构
3.1集成电路控制器工作原理
污水和雨水排水系统通常采用液位控制,其主要的工作原理如下图所示。液位传感器检测水池液位,并将液位信号转化为模拟量信号传输至集成电路控制器,控制器根据人机界面设定液位控制水泵运行/停止,水泵运行将会导致水池液位变化,最终使水池液位降到启动液位设定值以下。
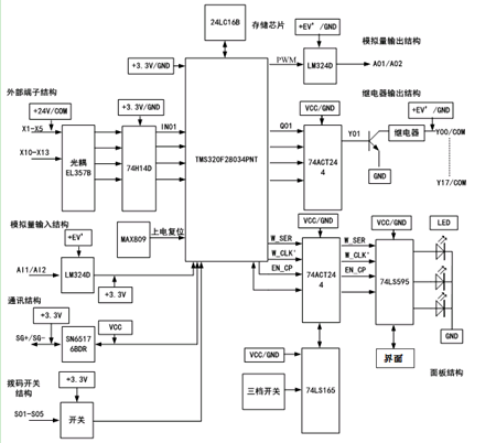
3.2集成电路的硬件结构
集成电路主要由单片机控制器(TMS320F2803XPNT),开关及模拟量输入部分,开关及模拟量信号输出及驱动回路,人机界面等部分组成。
4 集成电路控制器特点
与传统控制柜相比,为污水和雨水排水系统开发的控制器主要特点如下:
1.控制功能强大。通过芯片内部的逻辑程序可以完成对水泵的完美控制,可以实现水泵轮流启动,运行时间计时,故障自动切换等控制功能。
2.品质更高,稳定性更高。采用集成电路由于批量生产,大量使用贴片机等自动化机器,避免了手工接线操作,产品稳定性高,故障率很低。
3.显示与设定更加准确,直观和人性化。液位传感器可以直接将具体液位信号反馈至控制器,现场人员可以通过液晶屏直接观察到水池液位高度,也可以在参数中直接设定启停及报警液位,更加直观与人性化,如有故障,控制器可以实现声光报警。
4.增加更多的电机保护功能。除保留原有的干转保护,过载,短路,缺相等功能外,增加水泵泄露保护,PTC温度保护,
5.远程接口信号更加完善,预留modbus通讯接口。远程预留水泵手动、自动、运行、故障、高水位、低水位等干接点输出型号,预留模拟量液位输出信号,所有输出信号和液位信号,水泵运行时间均可以通过modbus-RTU通讯协议访问。
6.成本更低。与传统控制器相比,在实现上述功能的情况下集成电路控制器价格低30%左右。
5 结束语
该控制器利用成熟的集成电路技术,综合考虑性价比方面的因素,有针对性的开发满足了水泵实际使用功能,通过集成电路板提高了产品的稳定性和质量,在实际使用过程中为客户提供了更加优质的产品,具有集成度高、可靠性高、控制灵活、功能智能、价格经济等特点,在一些项目现场广泛使用,取得了良好的效果。系统预留了485通讯接口,未来可以通过GPIS模块接入公司远程监控系统,远程监控平台具备发送故障短信、电子邮件等功能,并可通过电脑、手机等终端设备随时随地监控泵站系统运行状态。
参考文献
[1] 王起 《论P LC、单片机、工控机在工业现场中的应用及选用方法》,2011年
[2]严兆彬 王晓初 李克天 冯娟 《基于单片机的潜水泵控制器的设计》,2008年
